Metabo wirnik silnik do wiertarki SB760 SBE760 316052740

Na stanie

Spodziewana wysyłka:1 - 5 dni

166,00  z VAT

SKU: 316052740 Categories: ,

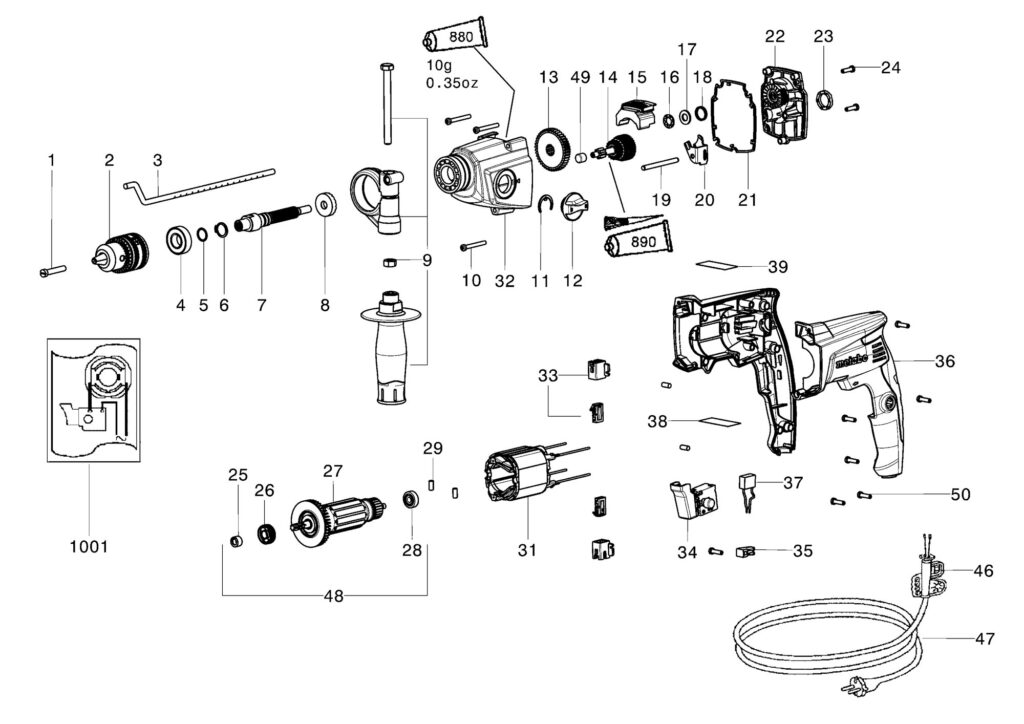
Wirnik z łożyskami (kompletny) do wiertarki – nowy, oryginalny Metabo

nr katalogowy:  316052740

nr na schemacie:  48

pasuje do modeli: 

SB 760  –  00840000,  00840310

SBE 760  –  00841000,  00841190,  00841310

Wirnik jest odpowiedzialnym za generowanie mocy niezbędnej do pracy narzędzia. Jest to integralny element, który wpływa na wydajność, precyzję i ogólną niezawodność wiertarki. Dołączone łożyska w zestawie są niezbędne do zapewnienia gładkiego i stabilnego ruchu obrotowego wirnika. Łożyska te są zaprojektowane tak, aby minimalizować tarcie i wibracje, co przekłada się na dłuższą żywotność wirnika oraz lepszą wydajność pracy.

 

 

 

EAN

4007430235183

Kod producenta

316052740

Marka

Metabo

Stan

Nowy

Waga produktu z opakowaniem jednostkowym [kg]

1

Stan opakowania

oryginalne