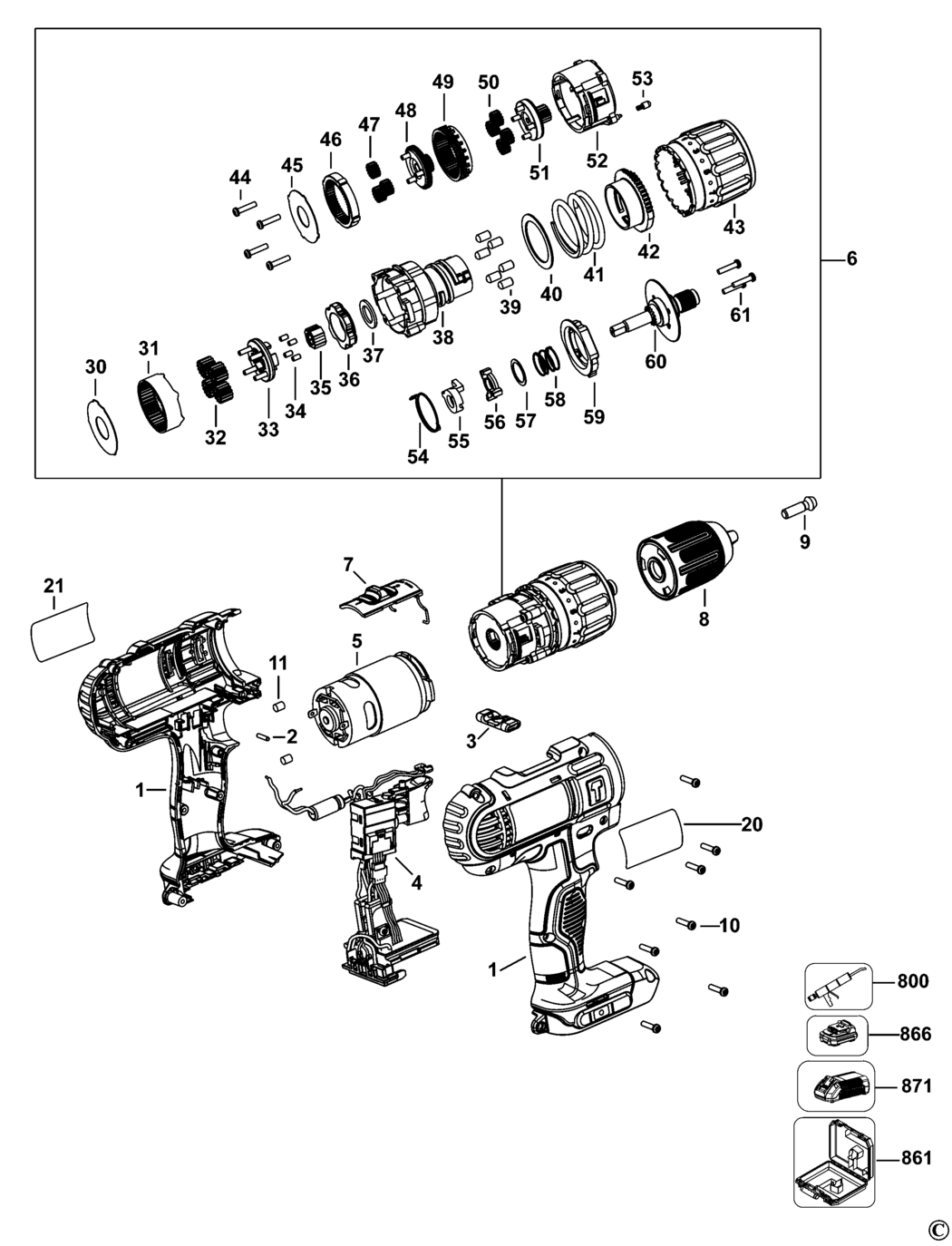
Silnik 18V do wkrętarki – nowy, oryginalny Dewalt
nr katalogowy: N376649
nr na schemacie: 5
pasuje do modeli: DCD 776 (type 1 i 10)
Wykonany z najwyższej jakości materiałów, silnik gwarantuje optymalną wydajność i długotrwałą niezawodność, co pozwala na efektywne i bezproblemowe wykonywanie różnorodnych zadań wkręcania i wiercenia. Został precyzyjnie zaprojektowany i wykonany, aby idealnie pasować do wkrętarki DCD776, umożliwiając łatwą wymianę i długotrwałe użytkowanie. Jego moc i wytrzymałość sprawiają, że jest niezastąpionym elementem, umożliwiającym maksymalne wykorzystanie Twojego narzędzia.











