Nóż tnący obrotowy do wiązarki drutu – nowy, oryginalny MAX
nr katalogowy: RB12643
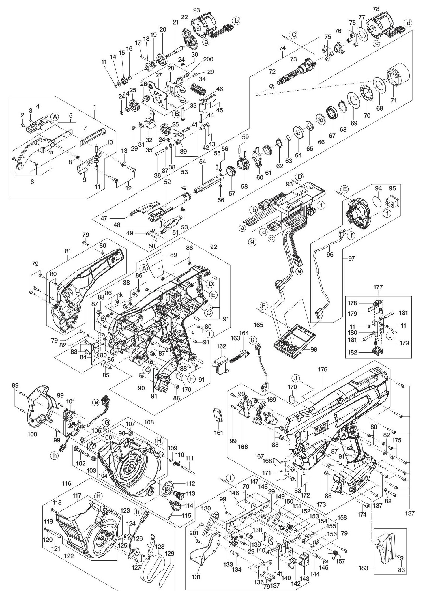
pasuje do modeli: RB 611T
nr na schemacie: 142
Nóż tnący firmy MAX działa na zasadzie mechanicznego cięcia, gdzie specjalnie zaprojektowane ostrze wykonuje dokładne cięcie drutu po zakończeniu wiązania. Po zaciśnięciu drutu na konstrukcji, mechanizm wiązarki aktywuje nóż, który ruchem obrotowym szybko i precyzyjnie przecina drut. Ostrze wykonane jest z wysokiej jakości stali, co zapewnia długą żywotność i odporność na zużycie nawet przy intensywnym użytkowaniu.









