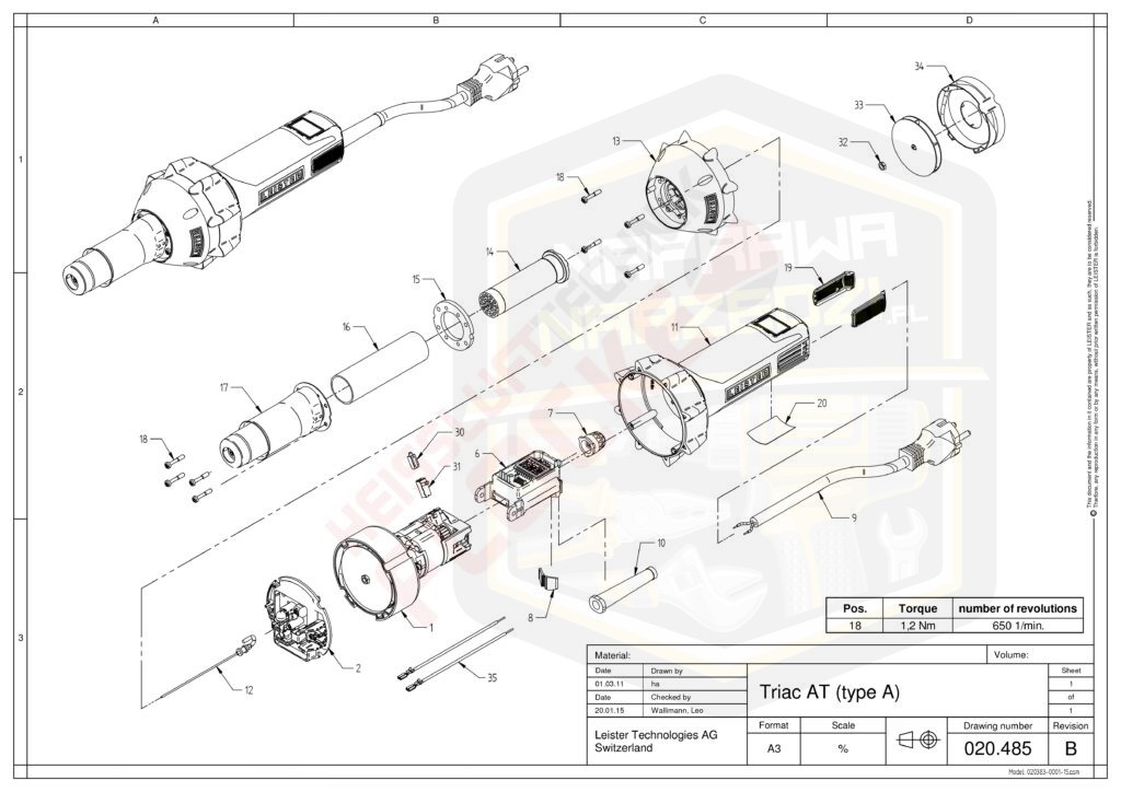
Szczotki węglowe (komplet) do zgrzewarki ręcznej – nowe, oryginalne LEISTER
nr katalogowy: 100.646
pasuje do modeli: TRIAC S, TRIAC ST, TRIAC AT, HEMTEK K-ST, HEMTEK ST
nr na schemacie: 30
zastosowanie: do narzędzi elektrycznych
Szczotki węglowe są kluczowymi komponentami w silnikach elektrycznych, które są często używane w narzędziach elektrycznych takich jak narzędzia do spawania Leister. Szczotki węglowe przekazują prąd elektryczny pomiędzy stacjonarnymi i obracającymi się częściami silnika. Z biegiem czasu, szczotki węglowe ulegają naturalnemu zużyciu i wymagają wymiany.





