Bosch głowica pompy do myjki wysokociśnieniowej GHP 5-55 GHP 5-65 F016L73060

Produkt dostępny

Spodziewana wysyłka:1 - 5 dni

349,00  z VAT

SKU: F016L73060 Categories: , ,

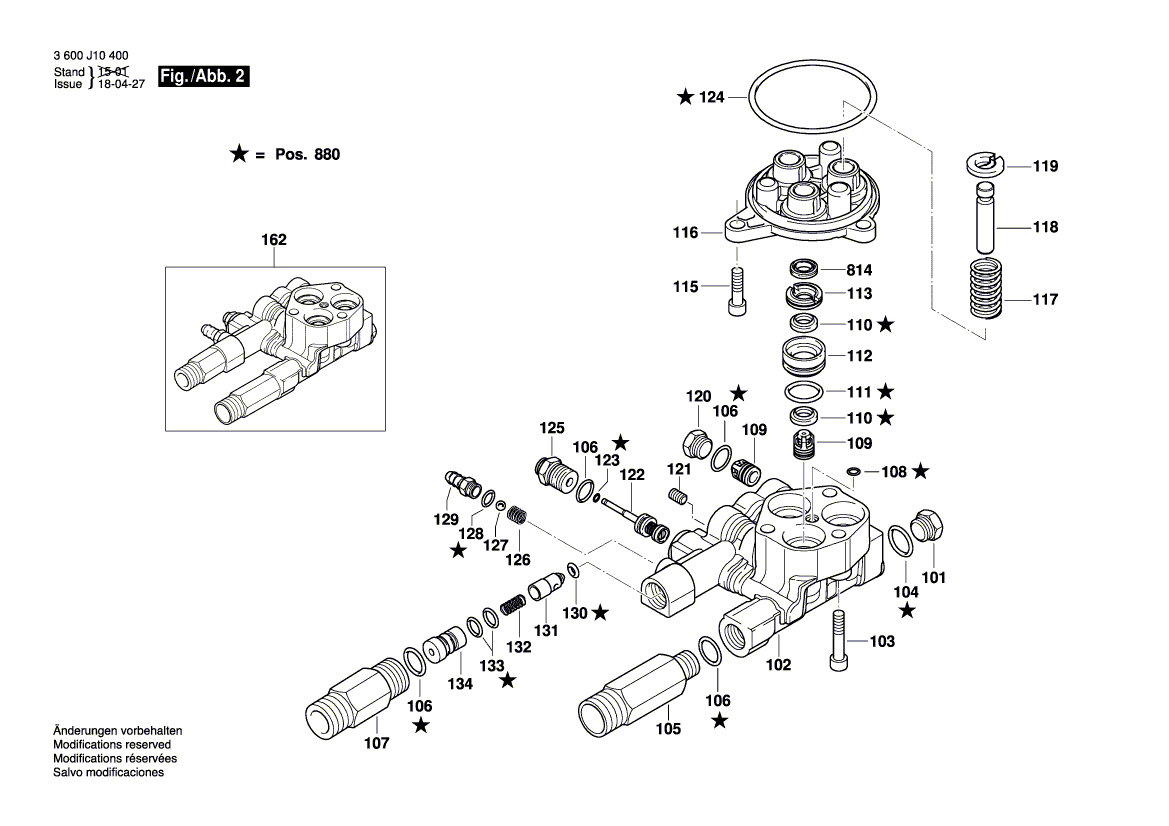
Głowica pompy do myjki wysokociśnieniowej – nowa, oryginalna Bosch

nr katalogowy:  F016L73060

nr na schemacie:  162

pasują do modeli:  GHP 5-55,  GHP 5-65

Głowica pompy do myjki wysokociśnieniowej Bosch to kluczowy komponent, który zapewnia doskonałą wydajność i niezawodność Twojego urządzenia. Wykonana z najwyższej jakości materiałów, gwarantuje długotrwałą pracę, precyzyjne działanie. Charakteryzuje się wyjątkową odpornością na działanie wody i chemikaliów, co przekłada się na długą żywotność i niezawodność nawet w trudnych warunkach pracy. Zapewnia równomierne i stabilne ciśnienie podczas pracy, co przekłada się na efektywność czyszczenia.

EAN

4059952497259

Kod producenta

F016L73060

Marka

Bosch

Stan

Nowy

Waga produktu z opakowaniem jednostkowym [kg]

0.5